Product Brief
| Product Apply To: | Caterpillar(CAT) 320B 320C 325 325B 325C 325D 329D 330 330B 330C 330D 336D 345D Excavator |
| Reference Part No.: | 6y5323, 6y-5323 |
| Product Customization: | Accept |
| Product Maker: | Shengde Machinery |
| Original Maker: | Caterpillar Inc. |
| Warranty: | 1 year or 2500H |

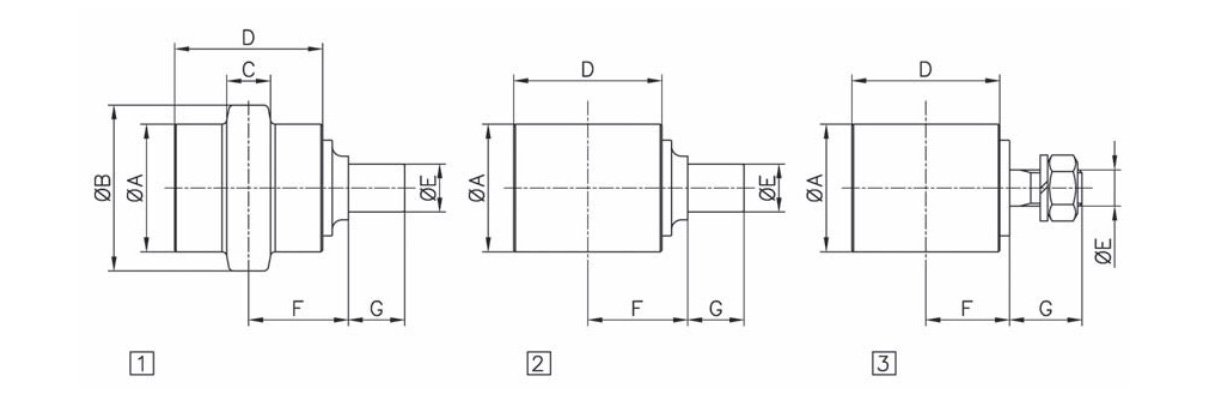
Dimensions of Top Roller


Dimension of top roller for some classic machine models (mm)
| No. | MODEL | A | B | C | D | F | G | H | I | J | MEMO | |||
| 01 | EX200-1 | 84 | / | / | / | 150 | 97.5 | 35 | 57.5 | 4-Φ17 | / | |||
| 02 | EX200-5 | 84 | / | / | / | 120 | 96 | 35 | 57.5 | 4-Φ18 | / | |||
| 03 | ZX200 | 84 | / | / | / | 120 | 95.5 | 35 | 53.5 | 4-Φ19 | / | |||
| 04 | EX400 | 103 | / | / | / | 160 | 117.5 | 65 | 91 | 4-Φ19 | / | |||
| 05 | E120B | 72 | 90 | 63 | 41 | 112 | / | / | / | / | / | |||
| 06 | CAT320 | 84 | 108 | 70 | 47 | 120 | / | / | / | / | / | |||
| 07 | E325 | 97 | 113.5 | 75 | 47 | 160 | / | / | / | / | / | |||
| 08 | E330 | 97 | 113.5 | 75 | 47 | 160 | / | / | / | / | / | |||
| 09 | PC100-5 | / | / | / | / | 115 | 81.5 | 41 | 71 | 4-Φ14 | / | |||
| 10 | PC200-5 | 84 | 119.5 | 70 | 55 | 140 | / | / | / | / | / | |||
| 11 | PC300-5 | 96 | 16 | 90 | 58 | 168 | / | / | / | / | / | |||
| 12 | PC400-5 | 106 | 116 | 90 | 58 | 168 | / | / | / | / | / | |||
| 13 | SK200-3 | 84 | 87 | 70 | 46 | 120 | / | / | / | / | / | |||
| 14 | SK300 | 95 | 129.5 | 70 | 65 | 120 | / | / | / | / | / | |||
| 15 | SK320-6 | 95 | 128 | 70 | 66 | 160 | / | / | / | / | / | |||
| 16 | R290 | 96 | 132.,5 | 85.5 | 58 | 168 | / | / | / | / | / | |||
| 17 | DH280-3 | 85 | / | / | / | 142 | 131 | 50 | 111 | 4-Φ18 | / | |||
| 18 | D4D | 70 | 91 | 88 | 41.5 | 151 | / | / | / | / | / | |||
| 19 | DSH | 86 | 115.8 | 110.7 | 57.2 | 172 | / | / | / | / | / | |||
| 20 | D60/D65 | 100 | 105 | 96 | 61 | 185 | / | / | / | / | / | |||
| 21 | D61 | 82 | 98 | 92.8 | 61 | 165 | / | / | / | / | / | |||
| 22 | D6D | 94 | 116 | 87.5 | 47.7 | 188 | / | / | / | / | / | |||
| 23 | D6H | 94 | 15.5 | 110 | 57.15 | 188 | / | / | / | / | / | |||
| 24 | D7G | 98 | 118.5 | 100 | 57 | 191 | / | / | / | / | / | |||
| 25 | D85 | 98 | 119 | 120 | 58 | 185 | / | / | / | / | / | |||
| 26 | D155 | 120 | 137 | 139 | 68 | 194 | / | / | / | / | / | |||
Some Models We Produced For
| SANY | CATERPILLAR | KOMATSU | HITACHI | SUMTOMO | SAMSUNG | BULLDOZER |
| SY35 | E70B | PC20 | EX30 | SH60 | SE130 | D20 |
| SY60 | E120B | PC30 | EX40 | SH100 | SE210 | D30 |
| SY70 | E200B | PC40 | EX60 | SH120 | SE280 | D31 |
| SY75 | E320B | PC60 | EX70 | SH200 | SE350 | D3 |
| SY135 | E320C | PC100 | EX90 | SH220 | KATO | D4 |
| SY215 | E240 | PC120 | EX100 | SH260 | HD250 | D4H |
| SY225 | E300 | PC200 | EX120 | SH280 | HD400 | D4D |
| SY300 | E330 | PC220 | EX150 | SH300 | HD450 | D4M |
| SY305 | CAT110 | PC240 | EX200 | LS2650 | HD700 | D5 |
| SY395 | CAT307 | PC300 | E×220 | LS2800 | HD1250 | D5H |
| SY420 | CAT311 | PC400 | EX300 | LS3400 | HYUNDAI | D50 |
| SY465 | CAT312 | VOLVO | EX350 | SANY | R55 | D5M |
| SY485 | CAT225 | EC55 | EX400 | SY35 | R60 | D6H |
| KOBELCO | CAT235 | EC140 | EX1100 | SY60 | R80 | D6D |
| K907 | CAT322 | EC210 | UH045 | SY70 | R130 | D60 |
| SK04N2 | CAT325 | EC240 | UH053 | SY75 | R200 | D65 |
| SK07N2 | CAT345 | EC290 | UH062 | SY135 | R210 | D6M |
| SK60 | DAEWOO | EC360 | UH063 | SY215 | R225 | D6R |
| SK100 | DH55 | EC490 | ZAXIS55 | SY225 | R230 | D7G |
| SK120 | DH150 | MITSUBISHI | ZAXIS70 | SY300 | R290 | D85 |
| SK200 | DH220 | MS110 | ZAXIS200 | SY305 | R305 | D8H |
| SK220 | DH280 | MS180 | ZAXIS230/240 | SY395 | R320 | D8K |
| SK230 | DH300 | – | ZAXIS270 | SY420 | R450 | D8N |
| SK300 | DH420 | – | ZAXIS350 | SY465 | – | D8R |
| SK320 | – | – | ZAXIS400 | SY485 | – | D9N |
| SK330 | – | – | – | – | – | D155 |
| SK400 | – | – | – | – | – | – |











Reviews
There are no reviews yet